| ZJ-AP型盤式扭矩傳感器 | ||||||||||||||||||||||||||||||||||||||||||||||||||||||||||||||||||||||||||||||||||||||||||||||||
| 來源: 點擊數:12527次 更新時間:2021/9/6 20:50:43 | ||||||||||||||||||||||||||||||||||||||||||||||||||||||||||||||||||||||||||||||||||||||||||||||||
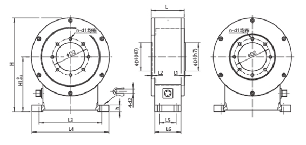
ZJ-AP型盤式扭矩傳感器輸入、輸出端都采用法蘭聯接方式(其中一端必須剛性聯接)。由于該型號傳感器不使用軸承,可有效地避免因軸承發熱產生的測量誤差。適用于高速旋轉或要求軸向尺寸更短的場合使用。
外形安裝尺寸圖
量程5000~2000K N•m 參數來電索取 Call for 5000 ~ 2000K N•m parameters 信號輸出與信號采集1、扭矩信號輸出基本形式: 盤式扭矩傳感器二次儀表 · 方波信號、脈沖信號。 · 可根據用戶需要制成電壓模擬信號輸出或電流模擬信號輸出(單向、靜止扭矩測量)。 2、扭矩信號處理形式: · 扭矩傳感器輸出的頻率信號送到頻率計或數字表,直接讀取與扭矩成正比的頻率信號或電壓、電流信號。 · 扭矩傳感器的扭矩與頻率信號送給單片機二次儀表,直接顯示實時扭矩值、轉速及輸出功率值及 RS232通訊信號。 · 直接將扭矩與轉速的頻率信號送給計算機或 PLD進行處理。 | ||||||||||||||||||||||||||||||||||||||||||||||||||||||||||||||||||||||||||||||||||||||||||||||||
| 【刷新頁面】【加入收藏】【打印此文】 【關閉窗口】 | ||||||||||||||||||||||||||||||||||||||||||||||||||||||||||||||||||||||||||||||||||||||||||||||||
| 上一篇:ZJ-Z型軸式靜態扭矩傳感器 下一篇:扭矩傳感器 |
服務熱線:400-111-3688 (24小時)
工作時間:7:30-11:30 12:30-16:30 (雙休)


